| 品牌WITELS-ALBERT | 有效(xiao)期至(zhi)長期(qi)有效 | 最后更新2024-07-01 16:59 |
| 瀏覽次數3 |
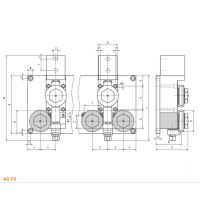
WITELS-ALBERT 矯直機AS 1-20,0 FX,帶固定輥的矯直模塊
WITELS-ALBERT 矯直機AS 1-20,0 FX,帶固定輥的矯直模塊
公司簡介:
WITELS-ALBERT GmbH 是一家總部位于德國的公司,專門從事滾子導軌系統和矯直機的開發和制造。他們的產品主要用于金屬加工、電線電纜生產和管材制造等行業。他們以其精密工程和糾偏技術領域的高質量解決方案而聞名。
AS 1-20,0 FX 矯直機
Richtmodul mit Fester Rolle
帶固定輥的矯直模塊
帶固定輥的直立模塊
Witels Albert AS 1-20.0 FX矯直機用于高強度加工材料
AS FX 矯直機具有較高的矯直力,專為直徑或橫截面高度在 5.0 毫米至 40.0 毫米之間的高強度加工材料而開發
Witels Albert AS-FX 型矯直機
生產和加工直徑在 5 毫米至 40 毫米之間的高強度加工材料已成為一種趨勢。AS FX 矯直機具有較高的矯直力,專為直徑或橫截面高度在 5.0 毫米至 40.0 毫米之間的高強度加工材料而開發,有兩種不同的尺寸,秉承了德國高質量和創新的傳統。
此類材料的矯直要求矯直機在每個平面上有 5 個以上的矯直輥,并將高速關閉和打開等功能與所有輥子的可調節性結合起來。雖然由于材料強度高,建議使用更多的矯直輥,但其他功能對于良好處理加工材料和確保不同直徑的材料達到相同的零線也是必要的。
使用新開發的 AS FX 系列矯直模塊和 AS PO,可以制造出滿足上述所有要求的矯直機,因為模塊本身已經為此進行了設計和配置。將多個 AS FX 和 AS PO 矯直模塊安裝在一個子板上,就形成了一個具有高速開合能力的矯直機,輥子可以單獨調整到規定的位置。
裝有不可調矯直輥的矯直模塊 AS FX 模塊可與 AS PO 可調矯直輥一起使用,以實現每種輥子都可調節的通用系統。
矯直模塊 AS PO 裝有一個可調節的矯直輥,可與不可調節的 AS FX 模塊一起使用。AS PO 的輥子調節是通過一個液壓缸來完成的,液壓缸的活塞將內置的輥子組件頂在一個可調節到規定位置的擋塊上。擋塊的規定調整由機械位置顯示器提供,使用合適的工具以很小的力手動完成。
型號示例:
Witels Albert矯直機AS 1-20.0 FX
Witels Albert矯直機AS 1-40.0 FX
Witels Albert矯直機AS 1-20.0 PO
Witels Albert矯直機AS 1-40.0 PO
Witels Albert矯直機BKV 7?-?60
Witels Albert矯直機BKV 7?-110
Witels Albert矯直機BKV 7?-150
Witels Albert矯直機BKV 9?-?60
Witels Albert矯直機BR 5 -100,0
Witels Albert矯直機BR 5 - 200,0
Witels Albert矯直機BR 5 - 300,0
Witels Albert矯直機BR 7 -100,0
Witels Albert矯直機BR 7 - 200,0
Witels Albert矯直機BR 7 - 300,0
WITELS-ALBERT 矯直機AS 1-20,0 FX,帶固定輥的矯直模塊
| 張(zhang)振濤 QQ:2853369883 手機(ji):18518172483 電話:010-64714988-171 傳真(zhen):010-84786709-667 郵件:sales18@gzclys.cn |
![]() |
![]() |
客服熱線:






