| 品牌interapp | 有效(xiao)期至長期有效 | 最后更新(xin)2024-01-18 16:10 | 
| 瀏覽次(ci)數(shu)24 | 
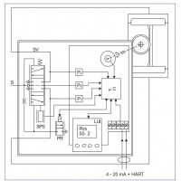
interapp數字式閥門控制器工業領域閥門ND7000定位器
定位器 / 數字式
ND7000 - 數字式閥門控制器
ND7000 數字式定位器設計用于所有工業領域的所有控制閥執行機構,是一項可靠、面向未來的投資,可提供終身支持。
它無需任何外部電源,執行器連接符合 VDI/VDE 3845 和 IEC 60534-6 標準。
它適用于四分之一轉閥門。
最大程度減少過程變化閥門流量特性線性化卓越的動態和靜態控制性能對控制信號變化的快速響應精確的內部測量
安裝和配置簡便同一設備可用于線性和旋轉閥門、雙作用和單作用執行器使用本地用戶接口 (LUl),在遠程位置使用 DTM / EDD,使用分布式控制系統 (DCS) 資產管理工具進行快速校準和配置功耗低,可安裝到所有通用控制系統中
開放式解決方案
Neles 致力于提供可與不同制造商的軟件和硬件自由連接的產品,ND7000 也不例外。基于 FDT 和 EDD 的多廠商支持配置ND7000 的支持文件可從我們的網站獲取。
ND7000ND7000 安裝在執行器和閥門上安裝在單作用和雙作用執行器上旋轉閥和線性閥都可安裝在單作用和雙作用執行器上1點校準功能可在不干擾過程的情況下進行安裝。
產品可靠性
專為在惡劣環境條件下運行而設計堅固的模塊化設計優異的溫度特性耐振動和沖擊
P66 外殼防潮免維護運行耐臟空氣
耐磨和密封組件無觸點位置測量
NELES 數字閥門控制器系列 ND7000
Neles ND7000 是一款數字式閥門控制器,設計用于所有工業領域的所有控制閥門執行機構。ND7000 是一項可靠且面向未來的投資,可提供終身支持。
主要特點
旋轉閥和線性閥的基準控制性能可靠、堅固的設計堅固耐用的蓋板可保護設備免受環境危害和外力破壞
調試和操作簡便安全;符合 lEC 61508 標準,最高包括 SlL 2 byTUV
語言選擇: 英語、德語和法語本地/遠程操作遠程安裝(選件)基本設備診斷包括自我診斷
偏差趨勢
計數器
擴展離線測試
總擁有成本低能耗和空氣消耗量未來驗證設計允許以更低的成本提供更多選項現有裝置(Neles 或第三方閥門)的改裝
 
| 王鈳(ke)深 QQ:2455880176 手機:18510519230 電話:010-64714988-191 傳真:010-84786709-667 郵件:2455880176@qq.com |  |  | 
 客服熱線:
客服熱線:
 
             
               
                       
 


 
           
            


















