| 品牌(pai)HAHN-GASFEDERN | 有(you)效期至(zhi)長期有(you)效 | 最后更新2021-08-25 18:13 |
| 瀏覽次(ci)數5 |
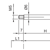
德國HAHN-GASFEDERN氣彈簧G 10-23-23 V4
德國HAHN-GASFEDERN氣彈簧G 10-23-23 V4

德國HAHN-GASFEDERN主要產品:
北京漢達森優勢采購HAHN-GASFEDERN彈簧,HAHN-GASFEDERN支撐桿,HAHN-GASFEDERN拉簧,HAHN-GASFEDERN氣彈簧,HAHN-GASFEDERN空氣彈簧,HAHN-GASFEDERN壓力彈簧,HAHN-GASFEDERN阻尼器,HAHN-GASFEDERN自鎖彈簧,HAHN-GASFEDERN剛性彈簧
德國HAHN-GASFEDERN氣彈簧G 10-23-23 V4

德國HAHN-GASFEDERN主要產品:
HAHN-GASFEDERN彈簧,HAHN-GASFEDERN支撐桿,HAHN-GASFEDERN拉簧,HAHN-GASFEDERN氣彈簧,HAHN-GASFEDERN空氣彈簧,HAHN-GASFEDERN壓力彈簧,HAHN-GASFEDERN阻尼器,HAHN-GASFEDERN自鎖彈簧,HAHN-GASFEDERN剛性彈簧
HAHN-GASFEDERN產品特點
| 李銀 QQ:3636923259 手機:15810543160 電話(hua):010-64714988-222 傳真(zhen):010-64714988-668 郵件:tk6@gzclys.cn |
![]() |
![]() |
HAHN-GASFEDERN空氣彈簧用于因空間原因無法使用傳統氣壓彈簧的地方。對于氣體壓縮彈簧,采用的是相反的原理,即由于氣缸內的氣體壓力,工作活塞桿被氣體拉伸彈簧向內拉。
用于各種應用的HAHN-GASFEDERN氣門彈簧
對于醫療技術、化學和食品工業以及小型造船業的特殊應用,我們生產高質量的不銹鋼彈簧。這些彈簧是由不銹鋼制成的,具有抗化學性。
HAHN提供各種材料的空氣彈簧。選擇:鋼,不銹鋼V2A(AISI 304),不銹鋼V4A(AISI 316)。
HAHN-GASFEDERN鎖定式空氣彈簧 設計和工作原理
扣動扳機時,活塞閥打開。彈簧將氮氣鎖在鎖定的剛性氣體彈簧中,油流通過活塞和活塞桿延伸,或者可以向上推動。當釋放扳機時,空氣彈簧閥自動關閉,活塞桿鎖定在所需位置。HAHN-GASSPRING的沖擊機制正是適合工作的鎖具類型。
用于HAHN-GASFEDERN應用的HAHN-GASSPRING空氣彈簧


有了HAHN無級可調全行程空氣彈簧鎖,你可以將閥門設置到任何位置,并在家具、汽車座椅等方面反復改變。
HAHN-GASFEDERN各種材質的可鎖定空氣彈簧
我們提供AISI 303/304鋼和316 TI/316 L鋼的可鎖定空氣彈簧。
可選擇:鋼、不銹鋼V2A(AISI 304)、不銹鋼V4A(AISI 316)。
可選擇:鋼、不銹鋼V2A(AISI 304)、不銹鋼V4A(AISI 316)。
HAHN-GASFEDERN油閥制動器的結構和工作原理
用于動力組、線性執行器、單體制動閥等的免維護封閉式液壓元件是油壓式制動器。阻尼效果在印刷方向或兩個方向上對列車模型進行修正。所有系列都有鋼制的V2A和V4A固定吸收器,制動力可從5到2500N。

HAHN-GASFEDERN氣彈簧產品型號:
G 03-083 、G 03-103 、G 04-124 。。、G 06-156 、G 06-196 、G 08-198 、G 08-238 、G 10-2310 、G 10-2810 、G 10-4010 、G 14-2814。。 、G 14-4014 、G 20-4020 、G 22-4022 、G 25-5525 、G 30-65 、G 06-15 V26 、G 06-19 V26 、G 08-19 V28 、G 08-23 V28 、G 10-23 V210 、G 10-28 V210 、G 10-40 V210 、G 14-28 V214 、G 14-40 V214 、G 20-40 V220 、G 22-40 V2。。 、G 02-06 V4 、G 03-08 V4 、G 03-10 V4 、G 04-12 V4 、G 06-15 V4 、G 06-19 V4 、G 08-19 V4 、G 08-23 V4 、G 10-23 V4 、G 10-28 V4 、G 10-40 V4 、G 14-28 V4 、G 14-40 V4。。 、G 20-40 V4 、G 10-23-23 、G 10-23-28 、G 14-28-28。 、G 14-28-40 、G 20-40-40 、G 10-23-23 V2 、G 10-23-28 V2 、G 14-28-28 V2 、G 14-28-40 V2 、G 20-40-40 V2 、G 10-23-23 V4 、G 10-23-28 V4 、G 14-28-28 V4 、G 14-28-40 V4 、G 20-40-40 V4
Z 04-15 、Z 06-19 、Z 10-28 、Z 10-40 、Z 28-40 、Z 06-19 V2 、Z 10-28 V2 、Z 10-40 V2 、Z 28-40 V2 、Z 04-15 V4 、Z 06-19 V4 、Z 10-28 V4 、Z 10-40 V4 、Z 28-40 V4
F 06-196 、F 10-2310 、F 10-2810 、F 10-4010 、F 14-40 、F 06-19 V2 、F 10-23 V2 、F 10-28 V2 、F 10-40 V2 、F 06-19 V4 、F 10-23 V4 、F 10-28 V4 、F 10-40 V4
D 04-12 、D 06-19 、D 08-23 、D 10-28 、D 14-40 、D 06-19 V2 、D 08-23 V2 、D 10-28 V2 、D 14-40 V2 、D 04-12 V4 、D 06-19 V4 、D 08-23 V4 、D 10-28 V4 、D 14-40 V4
北京漢達森優勢采購HAHN-GASFEDERN彈簧,HAHN-GASFEDERN支撐桿,HAHN-GASFEDERN拉簧,HAHN-GASFEDERN氣彈簧,HAHN-GASFEDERN空氣彈簧,HAHN-GASFEDERN壓力彈簧,HAHN-GASFEDERN阻尼器,HAHN-GASFEDERN自鎖彈簧,HAHN-GASFEDERN剛性彈簧
德國HAHN-GASFEDERN氣彈簧G 10-23-23 V4
客服熱線:







